Produkter
HJEM > Produkter
LXK-120 Nullsekvens strømtransformator
  • LXK-120 Nullsekvens strømtransformatorLXK-120 Nullsekvens strømtransformator
  • LXK-120 Nullsekvens strømtransformatorLXK-120 Nullsekvens strømtransformator
  • LXK-120 Nullsekvens strømtransformatorLXK-120 Nullsekvens strømtransformator

LXK-120 Nullsekvens strømtransformator

En høykvalitets LXK-120 Zero-Sequence Current Transformator tilbys av den profesjonelle kinesiske produsenten Comewill, spesielt designet for jordfeilbeskyttelse i kraftsystemet. Denne innendørsenheten bruker en harpiksstøpeteknikk og en delt kjernestruktur, slik at den kan deles i to halvdeler for installasjon uten behov for å demontere samleskinnen – og dermed forenkle ettermontering og konstruksjonsprosedyrer betydelig. Den er egnet for bruk i 50Hz eller 60Hz systemer, og gir null-sekvens relébeskyttelse for linjer med et jordet nøytralt punkt.

Kjøp LXK-120 nullsekvensstrømtransformator fra Comewill, en pålitelig produsent og leverandør av beskyttelsesstrømtransformatorer i Kina. Designet for 10kV og under strømsystemer, har denne åpen-type nullsekvens CT en kabel-gjennom-kjerne primærstruktur, 3kV sekundær isolasjon motstår spenning og epoksyharpiksstøping for pålitelig beskyttelsesytelse.

Det som skiller dette produktet er dets kabel-gjennom-kjerne primærkretsstruktur, noe som betyr at bare sekundærspolens isolasjon krever vurdering. Den sekundære spolen har en 3kV strømfrekvens som tåler spenning, og serien inkluderer populære modeller som LXK-φ80, LXK-φ100, LXK-φ120, LXK-φ150 og LXK-φ180—alle produsert i henhold til strenge kvalitetsstandarder av Electric Co., Ltd.

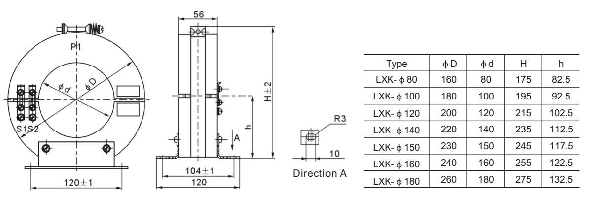
LXK-120 Zero-Sequence Current Transformer fra Welcome (Wenzhou) Electric Co., Ltd. er spesialdesignet for overstrømsbeskyttelse i 10kV og under, 50Hz kraftsystemlinjer, samt for høyspent trefase AC generatorer og motorer, og er kun beregnet for innendørs bruk. Den er kompatibel med overføringskabler hvis ytre diameter ikke overstiger 120 mm; for nøyaktige dimensjonsdetaljer for LXK-80 til LXK-160-modeller, vennligst se tabellen med tekniske parametere levert av vårt tekniske team.

Type Beskrivelse av LXK-120 Nullsekvensstrømtransformator

L: Strømtransformator
X: Null-sekvens
K: Åpne-lukk type
Φ120: Nominell diameter på det indre hullet

Tekniske data for LXK Open-type nullsekvensstrømtransformator

Hos Welcome (Wenzhou) Electric Co., Ltd. oppfyller alle våre produkter kravene i nasjonale standarder GB20840.1-2010 og GB20840.2-2014, og vi er også i stand til å skreddersy våre tilbud for å passe de unike behovene til individuelle kunder. Her er en oversikt over de viktigste tekniske spesifikasjonene for produktene våre:

Nominell isolasjon: 0,72/3 kV
Nominell frekvens: 50Hz/60Hz
Nominell sekundærstrøm: 5A eller 1A
Driftstemperaturområde: -25°C ~ +40°C

Type Klasser Vurdert strømforhold (A) Nominell utgang (VA)
L XK-80 (80/165*57) 10P5 ~ 10P10 50/575/5100/5150/5200/5250/5300/5400/550/175/1100/1150/1200/1250/1 5 ~ 1
LXK-100 (100/180*55) 10P5 ~ 10P10 5 ~ 1
LXK-100 (100/180*57) 10P5 ~ 10P15 10 ~ 1
LXK-120 (120/204*57) 10P5 ~ 10P15 10 ~ 1
LXK-120 (120/210*65) 10P5 ~ 10P15 10 ~ 2,5
LXK-120 (120/210*100) 10P5 ~ 10P20 15 ~ 2,5
LXK-120 (120/250*80) 10P5 ~ 10P20 15 ~ 1
LXK-150 (150/235*57) 10P5 ~ 10P10 10 ~ 1
LXK-150 (150/280*80) 10P5 ~ 10P20 15 ~ 1
LXK-160 (160/250*80) 10P5 ~ 10P20 5 ~ 1
LXK-180 (180/265*57) 10P5 ~ 10P10 10 ~ 1
LXK-180 (180/310*80) 10P5 ~ 10P20 15 ~ 1
LXK-200 (200/330*80) 10P5 ~ 10P20 15 ~ 1
LXK-240 (240/350*80) 10P5 ~ 10P20 15 ~ 1
LXK-260 (260/370*80) 10P5 ~ 10P20 15 ~ 1,5

Merk: Hvis du trenger spesifikasjoner som strømforhold eller installasjonsdimensjoner som går utover de ovennevnte områdene, er Welcome (Wenzhou) Electric Co., Ltd. åpen for å diskutere tilpasninger og komme til en gjensidig avtale med kjøperen.

Strukturfunksjon

Hos Welcome (Wenzhou) Electric Co., Ltd. har transformatorene våre en åpen-lukk-design og er støpt av epoksyharpiks. Når det gjelder å montere dem, kan du først dele transformatoren i to halvdeler, og deretter skru de to delene sammen igjen som en enkelt enhet – noe som gjør hele installasjonsprosessen til en lek. Denne modellen kommer i syv forskjellige varianter fra vårt firma, hver med en unik indre diameter: 80mm, 120mm, 140mm, 150mm, 160mm og 180mm.

Disposisjonsdimensjon

Hot Tags: LXK-120 Zero-Sequence Current Transformer, Kina, produsent, leverandør, fabrikk, engros, tilpasset, på lager, laget i Kina, lav pris, kvalitet
Send forespørsel
Kontaktinfo
Send en forespørsel til Comewill for koblingsanlegg, vakuumbrytere, strømtransformator. Få tilpassede tilbud, lave priser eller ekspertstøtte fra vårt Kina-fabrikkteam.
X
Vi bruker informasjonskapsler for å gi deg en bedre nettleseropplevelse, analysere nettstedstrafikk og tilpasse innhold. Ved å bruke denne siden godtar du vår bruk av informasjonskapsler. Personvernerklæring
Avvis Akseptere