Produkter
HJEM > Produkter
JDZX9-35D/290 Spenningstransformator
  • JDZX9-35D/290 SpenningstransformatorJDZX9-35D/290 Spenningstransformator
  • JDZX9-35D/290 SpenningstransformatorJDZX9-35D/290 Spenningstransformator
  • JDZX9-35D/290 SpenningstransformatorJDZX9-35D/290 Spenningstransformator

JDZX9-35D/290 Spenningstransformator

Comewill, en profesjonell spenningstransformatorprodusent i Kina, presenterer stolt JDZX9-35D/290 spenningstransformator, konstruert for stabil og nøyaktig ytelse i 35kV kraftsystemer.

Comewill-fabrikkens kvalitets JDZX9-35D/290 spenningstransformator er designet med epoksyharpiksstøpeisolasjon og fullstendig lukket utendørsstruktur, som sikrer høy presisjon, sterk holdbarhet og langsiktig pålitelighet. Den er mye brukt i energimåling, spenningsovervåking og relébeskyttelse, noe som gjør den til en ideell løsning for moderne strømnett og industrielle applikasjoner.

Typebetegnelse

Velkommen (Wenzhou) Electric Co., Ltd sin JDZX9-35 spenningstransformator, modellen inneholder nøkkelinformasjon om struktur og bruk, som enkelt kan demonteres og forstås:

Modellen JDZX9-35 representerer viktige strukturelle og funksjonelle egenskaper:

J – Spenningstransformator
D – Enfasestruktur
Z – Epoksyharpiksstøpt isolasjon
X – Med restspenningsvikling (for jordingsbeskyttelse)
9 – Design sekvensnummer
35 – Merkespenning: 35kV

Denne modellnavningen fremhever direkte kjerneegenskapene til JDZX9-35D/290 spenningstransformator: designet spesielt for mellomspenningskraftsystemer, den tar i bruk støpt harpiksisolasjon, enfasestruktur, og kan også utstyres med gjenværende spenningsviklinger, som perfekt matcher bruksbehovene til 35kV-systemer.

Servicebetingelser

For å sikre stabil langtidsdrift, bør JDZX9-35D/290 spenningstransformator brukes under følgende forhold:
Installasjon: Kun utendørs bruk
Omgivelsestemperatur:
Maksimum: +40°C
Minimum: -25°C
Daglig gjennomsnitt ≤ 30°C
Høyde: ≤ 1000m (egendefinert design kreves for større høyder)
Forurensningsnivå: Egnet for klasse IV-miljøer
Atmosfære: Fri for sterkt støv eller etsende gasser

Tekniske data

Type Nominell spenningsforhold (V) Nøyaktighet Klassekombinasjon Nominell utgang (VA) Maks utgang (VA) Nominell isolasjonsnivå (kV)
JDZX9-35 35000/√3/100/√3/100/3 0,2/6P 30/100 600 40,5/95/200
0,5/6P 50/100
JDZXF9-35 35000/√3/100/√3/100/√3/100/3 0,2/0,2/6P 20/20/100 2×300
0,2/0,5/6P 25/30/100
0,5/0,5/6P 30/30/100

Tilpasning og bruksretningslinjer

Comewill, som en erfaren leverandør av spenningstransformatorer i Kina, tilbyr fleksible tilpasningstjenester:
Tilpasset spenningsforhold og nøyaktighetsklasse tilgjengelig
Skreddersydde løsninger for spesifikke prosjektkrav
Støtte for ikke-standard design
Bruksmerknader:
Bruk kun ett spenningsforhold om gangen for nøyaktig måling
Unngå samtidig drift med flere forhold
Oppgi detaljerte parametere ved bestilling for å sikre best mulig ytelse

Applikasjonsscenarier

JDZX9-35D/290 spenningstransformator er mye brukt i:
Strømnettsystemer
Transformatorstasjoner
Industriell kraftfordeling
Energimålesystemer
Relébeskyttelsesapplikasjoner

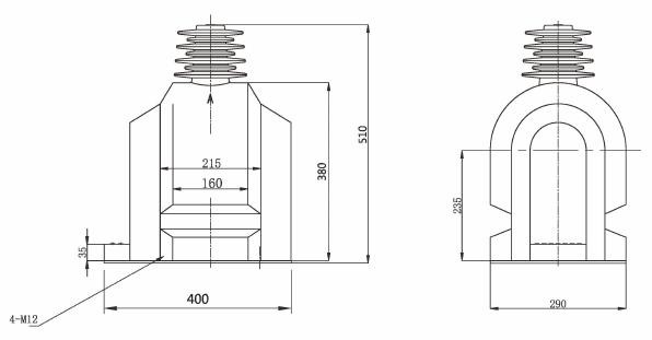
Oversikt og dimensjoner for installasjon

Koblingsprinsipper for DZX9-35KV spenningstransformatorer

Bestillingsinformasjon

For å sikre at transformatoren passer perfekt til dine systemkrav, vennligst spesifiser:

Spenningsforhold
Nøyaktighetsklasse
Nominell utgang
Spesielle krav (hvis noen)

For skreddersydde løsninger er Comewills tekniske team klar til å gi profesjonell støtte fra design til levering, for å sikre pålitelig og effektiv drift i ditt kraftsystem. Velkommen til å kontakte oss og få et tilbud nå!

Hot Tags: JDZX9-35D/290 spenningstransformator, Kina, produsent, leverandør, fabrikk, engros, tilpasset, på lager, laget i Kina, lav pris, kvalitet
Send forespørsel
Kontaktinfo
Send en forespørsel til Comewill for koblingsanlegg, vakuumbrytere, strømtransformator. Få tilpassede tilbud, lave priser eller ekspertstøtte fra vårt Kina-fabrikkteam.
X
Vi bruker informasjonskapsler for å gi deg en bedre nettleseropplevelse, analysere nettstedstrafikk og tilpasse innhold. Ved å bruke denne siden godtar du vår bruk av informasjonskapsler. Personvernerklæring
Avvis Akseptere