Produkter
HJEM > Produkter
LMZJ1-0.5 Strømtransformator
  • LMZJ1-0.5 StrømtransformatorLMZJ1-0.5 Strømtransformator
  • LMZJ1-0.5 StrømtransformatorLMZJ1-0.5 Strømtransformator
  • LMZJ1-0.5 StrømtransformatorLMZJ1-0.5 Strømtransformator

LMZJ1-0.5 Strømtransformator

LMZJ1-0.5 Current Transformer er en gjennomgående samleskinneenhet designet spesielt for innendørs AC-kretser, produsert av Comewill, en profesjonell produsent i Kina. Dette produktet er spesielt utviklet for systemer med en merkespenning på ≤ 0,5 kV og en frekvens på 50 Hz. Det er kjernekomponenten for strømmåling, energimåling og relébeskyttelse i lavspente strømenheter, og er svært egnet for bulkanskaffelser i industrielle og kommersielle prosjekter.

Som den profesjonelle produsenten i Kina vil Comewill gi deg tilpasset LMZJ1-0.5 Current Transformer, som er raffinert ved hjelp av harpiksisolasjonsstøpeteknologi og bruker en fast bunnplateinstallasjonsmodus. Med bedre driftsstabilitet og langsiktig holdbarhet sparer det vedlikeholdskostnader for innkjøpspartnere fra roten. Den gir flere høypresisjons giralternativer på 0,2, 0,5, 0,2s og 0,5s, og dekker enkelt differensierte applikasjonsbehov i ulike scenarier.

Den kompakte strukturelle utformingen gjør installasjon og distribusjon mer fleksibel, og den doble støtten av sikkerhetskonfigurasjon på toppnivå og ultralang levetid gjør LMZJ1-0.5 Current Transformer til et pålitelig valg i moderne lavspentsystemanskaffelser. Det er verdt å nevne at denne lavspenningstransformatoren har utmerket høytemperaturmotstand og forurensningsmotstand, og kan opprettholde stabil drift selv i tøffe miljøer, og maksimerer verdien av hver anskaffelsesinvestering.

Produktstruktur

Kjernen i LMZJ1-0.5 Current Transformator er en sirkulær jernkjerne laget av kaldvalsede orienterte silisiumstålplater – denne presisjonsviklingsdesignen er nøkkelen til å maksimere magnetisk effektivitet og legge grunnlaget for pålitelig drift.
Sekundærviklingen er jevnt viklet rundt denne sirkulære jernkjernen, som er et nøye designet arrangement som sikrer jevn ytelse under alle driftsforhold og eliminerer ujevn utgangsproblemer.
Det sentrale vinduet går gjennom midten av produktet og er designet for sømløs integrering av samleskinner, mens den solide basen i bunnen gir et sikrere og mer stabilt monteringspunkt for produktet, noe som gjør det enkelt å installere.
Hele komponenten er støpt av umettet harpiksisolasjonsmateriale. Dette solide dekselet forbedrer ikke bare holdbarheten, men forbedrer også sikkerheten og beskytter interne komponenter mot miljøbelastning, noe som gjør transformatoren motstandsdyktig i ulike arbeidsmiljøer.

Parameter

Elektrisk parameter Mekanisk parameter
Hyppighet 50/60 Hz Sak PC/UL94-V0
Vurdert inngang 5A-5000A Bobbin PBT
Måleområde 5%In-120%In Kjerne Silisium stål
Nominell utgang 1A, 5A Konstruksjon Skru
Spenningsforhold 0,72KV (AC) Driftstemp -25℃~+75℃
Dielektrisk styrke 3,0KV/1mA/1min Driftsfuktighet ≤85 %
Isolasjonsmotstand DC500V/100MΩ min Utgangstilkobling Terminal
Modell Primær / Sekundær Samleskinne hull dimensjoner (mm) Vurdert byrde (VA) Nøyaktighetsklasse Nominell spenning
LMZJ1-0,5 30 5/5A~300/5A ø=31mm 2,5-5 0,2S 0,5S 0,5 0,72KV(AC)
LMZJ1-0,5 35 5/5A~300/5A ø=35mm 2,5-5 0,2S 0,5S 0,5 0,72KV(AC)
LMZJ1-0,5 40 200/5A~500/5A ø=42mm 5 0,2S 0,5S 0,5 0,72KV(AC)
LMZJ1-0,5 50 400/5A~600/5A ø=56mm 5 0,2S 0,5S 0,5 0,72KV(AC)
LMZJ1-0,5 80 750/5A~1200/5A ø=83mm 10-20 0,2S 0,5S 0,5 0,72KV(AC)
LMZJ1-0,5 100 800/5A~2000/5A ø=102mm 10-30 0,2S 0,5S 0,5 0,72KV(AC)
LMZJ1-0,5 140 2000/5A~4000/5A ø=142mm 15-30 0,2S 0,5S 0,5 0,72KV(AC)
LMZJ1-0,5 180 5000/5A~6000/5A ø=182mm 15-30 0,2S 0,5S 0,5 0,72KV(AC)

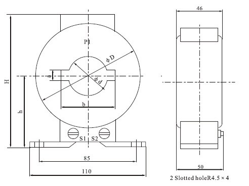
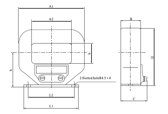
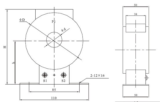
Oversikt og dimensjoner for installasjon

Type Nåværende forhold H h φD φd
LMZ1-0,5 5-300/5 117 68 90 30
Type Nåværende forhold H h φD φd a b
LMZJ1-0,5 5-300/5 118 70 91 32 10 41
400-600/5 128 75 97 43 12 52
Type Nåværende forhold A1 A2 B h H L1 L2 C b
LMZJ1-0,5 1000/51200/51500/5 172 104 30 80 140 156 123 41 50
2000/53000/5 216 140 42 102 182 175 150 46 70
4000/55000/5 238 150 55 117 220 230 180 60 94
Hot Tags: LMZJ1-0.5 Current Transformer, Kina, produsent, leverandør, fabrikk, engros, tilpasset, på lager, laget i Kina, lav pris, kvalitet
Send forespørsel
Kontaktinfo
Send en forespørsel til Comewill for koblingsanlegg, vakuumbrytere, strømtransformator. Få tilpassede tilbud, lave priser eller ekspertstøtte fra vårt Kina-fabrikkteam.
X
Vi bruker informasjonskapsler for å gi deg en bedre nettleseropplevelse, analysere nettstedstrafikk og tilpasse innhold. Ved å bruke denne siden godtar du vår bruk av informasjonskapsler. Personvernerklæring
Avvis Akseptere