Produkter
HJEM > Produkter
LMZK-10 Strømtransformator
  • LMZK-10 StrømtransformatorLMZK-10 Strømtransformator
  • LMZK-10 StrømtransformatorLMZK-10 Strømtransformator

LMZK-10 Strømtransformator

LMZK-10 strømtransformatoren levert av Welcome (Wenzhou) Electric Co., Ltd. i Kina er egnet for strømmåling, signalprøvetaking og mikrodatamaskinbeskyttelsesscenarier av elektrisk utstyr i 10KV AC-strømsystemer. Det er det foretrukne støtteutstyret for krafttekniske anskaffelser.

Comewill, som en ledende produsent og leverandør i Kina, tilbyr LMZK-10 strømtransformator for deg, som tilbyr kjernefordeler, inkludert en kompakt størrelse, avtakbar kjerne for enkel installasjon og høypresisjonsmåling ved bruk av importert silisiumstål. Den er spesielt designet for 10kV kompakt bryterutstyr.

Denne LMZK-10-strømtransformatoren har kjernefordeler som liten størrelse, lett vekt, koblingsbar og enkel installasjon, og er allment egnet for anskaffelsesbehovene til kompakte, fullstendig isolerte ringnettverksbrytere. Den er spesielt egnet for å kombinere med eksternt terminalutstyr som RTU og FTU for å danne en prøvetakingsenhet, som gir en omfattende løsning og datastøtte for hele systemet. Etter anskaffelse og installasjon er det ikke nødvendig å endre den originale ledningen. Den kan installeres direkte på de tilkoblede innkommende og utgående kablene, noe som gjør operasjonen enkel og rask, noe som reduserer kostnadene for teknisk installasjon betydelig. For tiden har den blitt mye brukt i kompakte, fullstendig isolerte ringnettverksbryterserier som SafeRing/Plus, Uniswitch, RM6/SM6, SVS, GA/GE, FB, SS, etc., og er også egnet for anskaffelse og støttebehov til kombinerte transformatorstasjoner, kabeldistribusjonsbokser og annet utstyr.

Når det gjelder kjernematerialer og prosesser, bruker LMZK-10 strømtransformator høykvalitets importerte silisiumstålplater med høy permeabilitet som magnetiske materialer, som har egenskapene til avtakbare jernkjerner og lave magnetiske kretstap. Harpiksen er vakuumstøpt inne i et flammehemmende plastskall, med utmerket fuktmotstand, stabil ytelse og ikke behov for senere vedlikehold, som oppfyller kravene til innkjøpskostnadseffektivitet for langtidsbruk. Under installasjonen, klem de to halvsirkulære ringene på den fasedelte kabelen og fest dem med klemmer for å blande seg sømløst med kabelen, og skape et vakkert og koordinert utseende. Produktet er egnet for anskaffelsesscenarioet med 10KV-kabler med spesifikasjoner fra 35 mm ² til 400 mm ². Klemmen er laget av høykvalitets rustfritt stålmateriale, som er solid og pålitelig. Det genereres ingen virvelstrøm under bruk, noe som sikrer sikker drift av utstyret.

Tekniske krav til arbeids- og installasjonsmiljø-LMZK-10 strømtransformator

Effektfaktoren på lastsiden må oppfylle COS φ=0,8 (viser hysteresekarakteristikk).
Den nominelle sekundære strømmen kan velges fra 5A eller 1A spesifikasjoner for å møte behovene til forskjellige kraftsystemer.
Miljøtemperaturområde: Den nedre grensen er -5 ℃, den øvre grensen er 40 ℃, og den daglige gjennomsnittstemperaturen skal ikke overstige 30 ℃.
Den nominelle driftsfrekvensen støtter to vanlige standarder: 50Hz eller 60Hz.
Installasjonshøyden til utstyret bør kontrolleres til 1000 meter eller lavere.
Forurensningsnivået oppfyller nivå II-standarden og er egnet for konvensjonelle industrimiljøer.

Produksjonen og inspeksjonen av produktet følger strengt de nasjonale standardene GB20840.1 og GB20840.2.

TEKNISKE DATA

LMZK1

Type LMZK1-10C LMZK1-10P LMZK1-10CP
Hensikt Måler strømtransformator Beskyttende strømtransformator Dobbel viklingsstrømtransformator
Forhold Nøyaktighetsklasse andreted burden (VA) Nøyaktighetsklasse andreted burden (VA) Nøyaktighetsklasse og nominell byrde (VA)
0.5 1 3 10P15 10P10 10P5 0.5 1 10P10 10P5
50/5

2.5






75/5

2.5

1.5



100/5
2.5


2.5



150/5
2.5

1.5 3.75



200/5 2.5 5

2.5 5



300/5 2.5 5
1.5 2.5 5
2.5
1.5
400/5 5 5
1.5 2.5 5 2.5

2.5
500/5 5 5
2.5 3.75 7.5 2.5

2.5
600/5 5 5
2.5 5 10 2.5

2.5

LMZK2

Type LMZK2-10C

LMZK2-10P
LMZK2-10CP
Hensikt
Måler strøm Beskyttelsesstrøm Dobbeltviklingsstrøm

transformator
transformator
transformator
Forhold
Nøyaktighetsklasse og Nøyaktighetsklasse og Nøyaktighetsklasse og vurdert belastning

vurdert byrde (VA) vurdert byrde (VA) (VA)
0,2 0,5 1 10P15 10P10 10P5 0,5 1 10P10 10P5
50/5 2.5
2.5
75/5 2.5 2.5 2
1.5
100/5 2.5 5 2.5 5 2.5 2.5
150/5 2.5 5
2.5 5
2.5 2.5
200/5 3.75 7.5
3.75 7.5
3.75 2.5
300/5 2.5 5 3.75 5 10 2.5 5
2.5
5
400/5 5 7.5 3.75 5 10 5 5
2.5 5
500/5 5 7.5 5 7.5 15 5 5 3.75 7.5
600/5 5 10 5 7.5 15 5 5 3.75 7.5

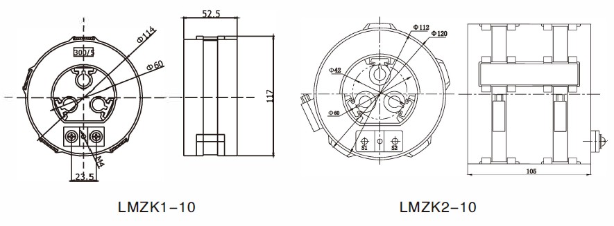
Disposisjonsdimensjon


Hot Tags: LMZK-10 Current Transformer, Kina, produsent, leverandør, fabrikk, engros, tilpasset, på lager, laget i Kina, lav pris, kvalitet
Send forespørsel
Kontaktinfo
Send en forespørsel til Comewill for koblingsanlegg, vakuumbrytere, strømtransformator. Få tilpassede tilbud, lave priser eller ekspertstøtte fra vårt Kina-fabrikkteam.
X
Vi bruker informasjonskapsler for å gi deg en bedre nettleseropplevelse, analysere nettstedstrafikk og tilpasse innhold. Ved å bruke denne siden godtar du vår bruk av informasjonskapsler. Personvernerklæring
Avvis Akseptere